
Bonjour,
j'ai récupéré un poste a souder a l'électrode commercy ondularc 132 mais le potentiomètre de réglage d'intensité est HS et le cordon qui le relie a la platine a été coupé et sans doute égaré.
J'ai un potentiomètre de remplacement mais sans cordon de connexion a la platine je ne sais pas sur quelle broche le connecter !
Si quelqu'un poséde ce même poste pourrait il m'envoyer une photo afin que je refasse ce cordon et faire fonctionner ce poste.
Ou bien les plans électriques.
Merci beaucoup !

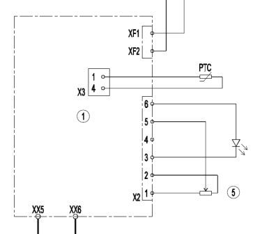
Bonsoir, voici le schéma de branchement du potentiomètre rep.5
sur le connecteur rep.X2

Bravo Christwin !
Notre encyclopédie des postes à souder... :cool:
Cordialement.

Envoyé par christwin
Bonsoir, voici le schéma de branchement du potentiomètre rep.5
sur le connecteur rep.X2
![]()

Bonjour,
j'ai ouvert mon poste ce matin voici les photos;
le potentiomètre a une valeur de 10 KΩ

Envoyé par christwin
j'ai ouvert mon poste ce matin

Envoyé par locouarn
J'admire ce dévouement. Merci pour tous les membres que tu ne cesses de dépanner ainsi.
Cordialement.

Bonjour, merci beaucoup c'est vraiment super sympa d'avoir ouvert votre poste pour moi !
La personne qui m'a donné le poste m'a assuré qu'il se connectait sur l'autre bornier !
J'aurai pu chercher longtemps !
Encore merci beaucoup !:)

Envoyé par christwin
Bonjour,
Y a pas de mérite, après 38 ans passé dans cette société j'ai conservé pas mal de documentations et même un peu de matériel dont un ondularc 132,
mon seul regret est de voir ce que notre fleuron national, leader mondial des gaz industriels en a fait pour les plus grand bien de ses actionnaires !!!!!!!

Une question svp : quelles sont les fonctions de l'autre connecteur qui est a coté du connecteur rép.x2 .
Merci d'avance

Envoyé par christwin
Bonjour,
Y a pas de mérite, après 38 ans passé dans cette société j'ai conservé pas mal de documentations et même un peu de matériel dont un ondularc 132,
mon seul regret est de voir ce que notre fleuron national, leader mondial des gaz industriels en a fait pour les plus grand bien de ses actionnaires !!!!!!!

Envoyé par mecanix
bonsoir christwin
je compati je viens de passer 38 ans à l' ex EDF GDF avec le même résultat à l'arrivée.
quand je vois la qualité de la carte c'était quand même mieux avant(la slovaquie ,la chine, la mondialisation)
cdlt mecanix

Bonjour,
J'ai un ondularc 132 qui s'est arreté de fonctionner apres avoir commencé une soudure avec une baguette de 3.2.Le voyant led,indiquant une surtension ou surchauffe est allumé.Ayant des connaissances en electronique,j'ai pu verifier certains circuits,mais pas evident sans schéma.Aux bornes des gros condensateurs,j'ai 326.8 V,en sortie du regulateur 7815,j'ai 14.09 V(peut etre un peut bas)et la sonde thermique fixée sur le radiateur est bonne(0.1 ohm).Est que vous avez rencontré ce probléme?
Cordialement.

bonjour recherche référence des résistances carré nombre de 2 sur la photo

bonjour recherche résistance carrée comme sur la photo
merci

bonjour recherche deux résistance 9x9 par 40 pour commercy 132 ou peut on en trouvé
merci

Bonjour,
Quelles résistances, sur quelle photo ?
--
Olivier

Bonjour,
Je possède le même poste à souder avec le même soucis de potentiomètre,
Je suis un gros débutant en réparation de poste à souder, je n'ai pas trouver de référence pour le potentiomètre, est-ce que quelqu'un peut me conseiller pour savoir quel pièce acheter en remplacement ?
Merci d'avance

Bonjour,
as tu le brochage de l'IRG4PC40W, datasheet ne mentionne pas les broches du boitier.
Boone journée

Bonjour,
A priori ce serai ce brochage: