
Bonjour,
Etant à la recherche (depuis assez longtemps déjà) d'une solution pas trop coûteuse pour trouver une torche TIG adaptable sur un Fronius Magicwave 1700, il semblerait que mon seul salut réside dans la fabrication de ce fichu connecteur sur lequel je n'arrive pas à trouver d'infos claires (pas le connecteur rectangulaire de la gâchette, le gros pour le courant de l'arc)...
Je cherche donc les dimensions de ce connecteur afin de pouvoir le fabriquer moi même !
Y aurait-il sur ce forum un possesseur d'une torche compatible avec ce modèle qui aurait l'infinie bonté de bien vouloir faire 2 ou 3 mesures au pied à coulisse et les reporter sur ce forum ?
En vous remerciant !

Bonjour,
L'adaptateur semble également se trouver dans le commerce :
Connecteur spécial de torche non Fronius sur poste TIG FRONIUS
Cordialement.

Nan mais ça ça coûte quasiment le prix d'une torche neuve, et c'est vendu que sur un site rédigé en langage germain...

Bonjour,
Je ne comprends pas votre réponse. Sur le site aimablement indiqué par Tungstène, tout est rédigé en français et le prix de 65 € me semble très raisonnable.
Cordialement.

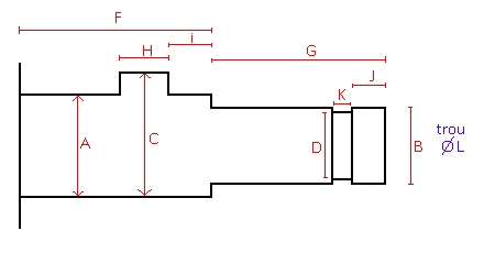
Bonjour,
SI vous êtes adepte du faire soi-même:
A=13mm
B=10.3mm
C=14.5mm
D=B
E??
F=18.8mm
G=10.9mm
H=5mm
I=4mm
J=2mm
K=2.7mm
Diamètre du trou=4mm
Attention, J présente un congé de 1mm l'amenant de 9mm à l'extrémité à 10.3 au dela de sa moitié.
Bien à vous.

Diantre, j'avais raté le lien français ! merci beaucoup !
Mais je pense que je vais quand même la faire moi même, vu que je suis lancé !
Du coup, merci beaucoup p Tharkey pour les mesures !