
bonjour a toutes et tous .
mon premier probleme sur mon poste a souder (mig castolin derby 285) vient du fait qu'il est partit au sav apres un probleme de deroulement du fil ( aucune reponse lors de l'actionement de la gachette ) . les frais de reparation etant trop elevé( 700eur) , le poste m'a été renvoyé . mais maintenant lorsque j'appuie sur la gachette un arc electrique se produit au niveau de la plaque a bornes . le poste est en 380v et la plaque a bornes est bien sur 380v seulement les fils derriere cette plaque ont été touché . quelqu'un pourrait il me dire comment les rebranchés correctement pour que je puisse m'attaquer au probleme de deroulement du fil . j'ais eus du sav juste un montant des reparations sans savoir le reel probleme . le moteur de deroulement du fil fonctionne lorsque je le branche sur du 12v .
je vous remercie d'avance pour votre aide , car pour le moment je nage completement .
cordialement

personne pour m'aider ????

Bonjour,
Si personne ne vous répond c'est peut être que personne ne comprend votre problème
Pourquoi ne pas placer une photo ou deux pour expliquer en image votre souci ?
Cordialement,
@troncheacul...
Puis-je me permettre de vous conseiller de changer votre nom d'avatar...
C'est peut-être déjà ça qui freine l'engouement à vous aider !
Ayez du respect pour vous même et d'autres en auront pour vous.

Bonjour à tous,
J'ai changé le nom de pseudo du membre et je l'ai averti par courriel.
Cordialement,

desolé mais c'est mon nom de famille , c'est deja pas facile a porter ...

Bonjour,
Vous n'avez pas la notice avec le schéma de la partie puissance de votre poste ?
Je ne comprends pas très bien ce problème d'étincelle, les fils sont bien vissés sur le bornier ?
De toute manière vous allez toujours avoir votre problème de déroulement de fil.
700€ pour réparer un problème de dévidage du fil ça me semble vraiment excessif surtout sur un produit qui n'est pas très haut de gamme.
Cordialement
Arnaud72

bonjour
je plaisantais , ce pseudo est un hommage a la bd " la tragedie de tronche de cul " . c'est loin d'etre une grande oeuvre mais ca me fais rire , et puis c'est le seul pseudo toujours libre ...
les fils ont étés débranché sur le bornier et surement remonter a l'envers d'ou , je pense , l'arc electrique .
je poste des que possible une photo .
pour ce qui est du probleme du devidoir je pense que ce n'est pas grand chose ; le moteur fonctionne , la gachette aussi . je pense a un element grillee sur la platine . le representant aurait aimé me vendre un autre poste pour remplacer le mien . ils ont dus gomflée la note pour me decourager..
merci pour vos reponses. cordialement

voici quelques photos . merci d'avance pour vos réponses
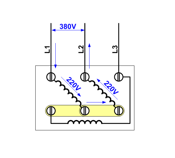
Voici le principe de câblage de bobines en étoile/triangle 230/400V
La plaque à bornes du poste doit être rétablie comme suit:
Veillez bien au sens correct des bobines ainsi qu'au câblage croisé de celle-ci.
Raccordé de la sorte, vous ne devriez pas avoir de problème.

Bonjour tronche,
Avez vous lu ce message
http://www.soudeurs.com/le-branchement-electrique-220v-380v-des-postes/4098-branchement-d-un-sauvageau-mg200-en-380-v.html
Cordialement,

Bonjour,
La difficulté dans le cas de ce poste c'est que l'on n'est pas certain que le câblage n'ait pas été modifié de l'autre côté de la plaque. Du coup tous les schémas type de branchement étoile triangle ne peuvent pas aussi facilement s'adapter sans refaire un repérage complet de chaque bobine et de tous leurs fils.
Cordialement
Arnaud72

bonsoir . merci pour vos reponses .
en effet le cablage a ete modifié de l'autre coté de la plaque . il n'est donc pas evident de recree le cablage malgré le shema . j'ais repéré mon alimentation , mes bobines , il faut maintenant que j'arrive a branché dans le bon ordre selon le shema...je vais encore faire quelques tests , et je vous tient au courant .
merci