
Bonsoir,
J'ai investi dans un ESAB LAX380 d'occasion suite a une faillite pour 300€, il a 16ans.
J'avais pu le tester sans fil.
Arrivé sur mon exploitation agricole, je l'ai soufflet avec une soufflette et un pinceau.
J'ai lavé les capots et le "carter" plastique du radiateur.
Il fonctionne, le dévidoir tourne et quand on actionne la gâchette le poste se met en route.
Mais lors du démontage j'ai vu qu'un fil etait décroché.
Je me demande si c'est normal.
Ce fil devait être raccordé à la fiche de masse (a voir).
La fiche de masse à été modifiée.
Faut-il raccorder le fil à la masse ou a un autre endroit, ou faut-il le laisser ainsi ?

ne confondez pas la masse de soudage et la mise à la terre, sur les postes de soudure le capotage doit être aussi relié à la terre

Bonjour,
On dirait quel le fil est relié à un dissipateur thermique (radiateur).
Or, il arrive que ces dissipateurs ne soient pas reliés à la terre.
Pour preuve, le dissipateur de la photo ci-dessous (au milieu à gauche) est relié à la borne + du circuit de soudage :
C'est pour ça que le dissipateur est monté avec des plots isolants en plastique, comme ces plots blancs avec les écrous (démontés) en haut à gauche sur la photo ci-dessous :
Donc vérifiez bien que votre dissipateur est mis à la terre en le faisant biper au testeur.
Si c'est le cas, il faut le relier au capotage comme dit Tungstène. Sinon, méfiance.
Mais vu que votre poste fonctionne, il y a de grandes chances que le dissipateur soit à la terre.

J'ai trouvé cette photo sur le net, c'est un lax 380 en rénovation.
On a bien l'impression que la cosse est fixer sous le transfo. Ou alors qu'elle est fixée au fil de cuivre qui fait un "U". Difficile d’être sur. Je vais la faire sonner pour vérification.

Autre question
D'apres la notice le bouton 1-4 serait l’interrupteur 4 temps et l'autre 1-10 serait le 10 temps. La je comprend rien... Je connais le 2 et 4 temps.
Pour moi le bonton droite serait le réglage de puissance souhaité. 10 étant 380Amp et 1 l'équivalent de 40-50Amp. Ce qui ferait des tranches de 10% de puissance.

C'est bon, j'ai compris à quoi sert la câble ! :)
Il s'agit du dispositif qui permet de court-circuiter l'inductance.
J'ai téléchargé la notice ici :
http://www.esab.com/gb/en/support/upload/LAX-320-LAX-380.pdf
Le schéma électrique est à la page 101, mais la partie la plus intéressante est à la page 117 : le descriptif des composants en situation.
En fait, le câble n'est pas relié à la tôle sous le composant bobine (qui est l'inductance d'ailleurs, et pas le transfo, le transfo est à gauche à l'arrière, sur votre photo).
Il s'agit d'un effet d'optique.
Le câble est vissé en l'air sur le composant n° 707 avec le fil en forme de U.
Et pour info, l'espèce de radiateur sur lequel l'autre extrémité du fil est fixé est le pont redresseur à diodes.
Le bouton 1-10 est le réglage de la tension. "10 step" veut juste dire que vous avez 10 valeurs possibles de réglage.
Ca n'a rien à voir avec le temps des interrupteurs 2 temps ou 4 temps. Sûrement un problème de traduction.
Donc vous aviez vu juste.

Ok, merci. L’espèce de U à du être démonté ou cassé car je ne l'ai pas sur mon poste. Est ce grave de fonctionner sans ? Si non, le U en cuivre est vraiment indispensable ou je peux mettre un bout de cable plus long avec de nouvelles cosses et aller le brancher sur la 707 à la place du U ?
Ok pour le second bouton. Le premier qui est gradué de 1 à 4 il sert a quoi ?

Est ce grave de fonctionner sans ?
Si non, le U en cuivre est vraiment indispensable ou je peux mettre un bout de cable plus long avec de nouvelles cosses et aller le brancher sur la 707 à la place du U ?

Ok pour le second bouton. Le premier qui est gradué de 1 à 4 il sert a quoi ?

Si non, le U en cuivre est vraiment indispensable ou je peux mettre un bout de cable plus long avec de nouvelles cosses et aller le brancher sur la 707 à la place du U ?

Vous n'avez pas de poste, mais de sacrés connaissances !
Bon faut que je trouve la pièce.
Ha oui peut être pour le réglage, c'est un poste tres précis
Sur ce lien on voit des photo d'un autre lax 380 : Refection poste a souder mig esab lax 380 | Usinages

Bonjour Sibalo,
Je pense avoir trouvé à quoi sert le fil en U.
C'est tout simplement la résistance de puissance qui est symbolisée sur le schéma :
Ca ne coûte pas grand chose de faire une résistance en tordant du fil épais qui peut dissiper la chaleur, et sert en même temps de cosse de fixation.
Donc si tu ne retrouve pas le fameux fil, tu peux tenter de le refaire à peu près aux même dimensions, ça devrait marcher.
Bonne continuation.

J'ai demandé conseil à un ami expert en électronique de puissance. Il me dit que le fil doit être fait dans un alliage de type nichrome, constantan ou manganin qui une résistance stable en fonction de la température.
Cordialement,

@matlegore " Pour commencer, en Mig/Mag, la torche est reliée à la borne positive et la pièce à la borne négative. Ca m'a un peu perturbé dans la compréhension de la documentation,"
ce n'est pas toujours vrai, si on utilise du fil fourré sans gaz la polarité sur la torche MIG doit être inversée.

Bonjour Tungstène,
Merci pour cette précision. C'est un peu comme en MMA DC, il y a des cas particuliers.
Maintenant, je comprends pourquoi le connecteur de la torche a un surplus de fil. C'est pour pouvoir inverser la polarité :
Cordialement,

Merci pour ton éclairage, je vais regarder dans mon vieux poste qui est HS je vais peut-être trouver un bout de fil dans cet alliage. Sinon il s'en vend sur le net a voir.
Ha je comprends l'astuce pour changer le branchement de la torche.
On a souvent des pièces d'usures à recharger, un ami me disait qu'il faut prendre du fil fourré de rechargement. Car les pièces ne sont pas toujours clean et quand on veut recharger sans passer 1 journée à démonter (et donc a nettoyer tip top) faut prendre du fil fourré

Bon je reviens pour vous donner des nouvelles.
J'ai eu ESAB, il s'agit d'une résistance chauffante de 0.27 Ohms. Ils ne la font plus.
Par contre, ils m'ont dit de trouver un produit équivalent. Mais il faut impérativement pas mettre en dessous de 0.27 Ohms sinon ça ne tiens pas.
J'ai vu ca : Fil resistif Block RD 100/1,5 0.277 Ω/m 6.3 m - Vente Fil resistif Block RD 100/1,5 0.277 Ω/m 6.3 m sur conrad.fr | 422535
Je sais pas si cela peut aller, car dans le titre c'est 0.277 Ohms et dans le descriptif je lis > Résistance électrique spécifiques : 0,49 Ω x mm²/m
La ca devient trop pointu pour moi.
Alors le proprio précédent avait soudé sur une rondelle un bout de cuivre ou de fil de résistance (je ne sais pas dire). On voit que le fil a fondu a ras de la rondelle.

Bonsoir,
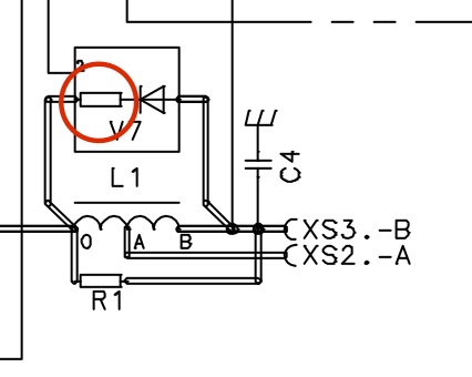
La résistance de 0,27 Ohms est un autre composant, noté R1, sur le schéma :
D'après ta photo sur le premier message, tu as déjà ce composant sur le poste.
Peux-tu nous envoyer une photo du montage réalisé par le proprio précédent, juste pour mieux comprendre ?
Cordialement,

Je vais reposer la question a ESAB. Oui je te fais ca demain, il reste plus que la rondelle et 2 petits bouts de fil soudé dessus
Merci

Voici le "reste". Le diamètre des tiges et de 2mm

Bonjour,
Merci pour la photo.
Je sèche un peu, mais voici quelques idées.
En relisant la doc, je viens de voir qu'il y a une description plus détaillée du fonctionnement du circuit de shunt :
Le rôle du fil en U n'est pas détaillé malheureusement, mais il est écrit que le court-circuit n'est actif que pendant un temps très court, de 200 millisecondes.
Pendant ce temps, le poste est en court-circuit et tout le courant passe à travers le fil en U et le fil souple relié au U (le fil qui pendouille actuellement, comme sur la première photo de la discussion).
Il y a donc une puissance importante qui va échauffer les fils de manière transitoire, créant des contraintes thermiques.
Une explication possible de ce montage qui m'a été évoquée, c'est que le fil en U sert à absorber les contraintes thermiques transitoires en se déformant. En attachant le fil qui pendouille directement sur le composant 707 (V7), les contraintes thermiques se concentrent sur toutes les cosses et fragilisent la qualité de la connexion.
En grattant au couteau le fil de 2 mm, tu dois pouvoir voir si c'est du cuivre, à la couleur. Si le montage précédent a fondu, le fil n'était peut-être pas adapté pour tenir les à-coups de chaleur sur le long terme, mais ça ne l'a pas empêché de fonctionner un moment.
Il sera plus prudent d'attendre le retour d'ESAB, dans un premier temps.
Bon week-end

Ok, je reviens vers vous dés que j'ai la réponse de ESAB

Bon pas de nouvelles de ESAB pour le moment. J'ai recu mon fil et gaz, j'ai donc essayé. Le poste fonctionne, par contre pas moyen de faire une vraie soudure. J'ai l'impression qu'il reste toujours en phase d’amorçage que l'amperage ne monte pas peu importe le réglage d’ampérage. Et faut faire tourner le fil au minimum sinon le fil sort trop vite et il n'y a pas d'arc.
Je pense que c'est du au manque du U.
Une photo de l'essai (horrible)
En haut en position 1 de réglage ensuite 2 ensuite 3 et le dernier position 4. Donc du moins d’ampérage au plus.
Ca fait juste fondre le fil d'apport, mais ça ne pénètre pas le fer plat.
Pour le reste du U, c'est pas du cuivre c'est un métal gris quand je gratte.

Je viens vous donner des nouvelles. La pièce en "u" et un thyristor. J'ai amené mon poste chez un petit réparateur dans l'oise.

Bonsoir,
Merci pour les nouvelles.
La pièce en "u" et un thyristor.
'ai amené mon poste chez un petit réparateur dans l'oise.