#1
nry67 En ligne le 25/01/2021 à 09:09 (1 message sur soudeurs.com)

Sujet : Question Posée Tolérance sur les longueurs des jambes des cordons.

19/01/2021 09:06:32

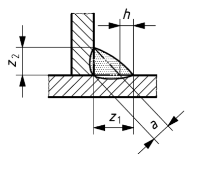
Bonjour, je cherche à savoir où est-ce que je peux trouver un norme qui indiquerai les tolérances des jambes de cordon. Par exemple pour les valeurs Z1 et Z2, quelles sont le stolérances.

Merci

Sujets connexes les plus populaires
Réponses : 1
Affichages : 26329
Admin dusweld1
14/09/2008 11:44:55

Question Posée Salaire d'un soudeur en 2017 ?

28/04/2017 16:40:07 - azzam
Réponses : 16
Affichages : 11106
tungstene
30/04/2017 18:10:16

[Résolu] Calcul d'un cordon de soudure.

13/03/2006 13:02:22 - calingks
Réponses : 9
Affichages : 42941
Richardltch
03/02/2023 10:01:26

Coût de revient d'une soudure

28/03/2013 13:35:48 - jorgio89
Réponses : 5
Affichages : 15715
locouarn
26/12/2019 19:31:40

Les Tarif 1, 3, 10 etc...

21/05/2008 16:17:34 - Ericlim
Réponses : 2
Affichages : 20320
25/05/2008 08:24:49

Valeur apothème pour soudure d'angle des 2 côtés

08/11/2012 05:00:41 - reacteur84
Réponses : 3
Affichages : 27634
grenier27
12/11/2012 19:05:20
Réponses : 1
Affichages : 17970
KINABALU
17/04/2019 09:25:23
Réponses : 14
Affichages : 27228
23/06/2010 17:26:25

Question Posée Reglementation soudage et controle appareil sous pression

12/07/2014 12:42:06 - tit-rider
Réponses : 9
Affichages : 8753
tit-rider
21/07/2014 07:55:15

Calcul de l'énergie de soudage

04/05/2008 18:36:25 - Albano
Réponses : 18
Affichages : 10748
pasor
17/07/2015 11:55:36

Explication sur schedule

05/02/2010 20:47:14 - philguio
Réponses : 3
Affichages : 11798
philippe79
21/02/2010 16:07:18

Apotheme sur fw

06/08/2011 14:30:34 - american
Réponses : 9
Affichages : 9712
gringe2010
08/11/2013 12:28:33

resistance des cordons de soudure

02/05/2005 08:33:30 - lazslo
Réponses : 4
Affichages : 11811
Admin dusweld1
27/04/2006 06:20:38

Question Posée Valeur de gorge ou d'apotheme alu et acier

28/02/2013 09:26:22 - stef998
Réponses : 3
Affichages : 4540
stef998
01/03/2013 19:45:13

Norme soudage ferroviaire EN 15085

24/02/2009 08:29:12 - laurentbosse
Réponses : 5
Affichages : 18213
Dominique ADMIN
16/04/2012 11:02:31

Question Posée température post-chauffage et température entre passes

17/03/2015 14:50:56 - cosmos91
Réponses : 2
Affichages : 864
pasor
17/03/2015 18:20:15

Question Posée Définition de : Gorge réelle, gorge apparente

30/01/2019 15:49:41 - clementp
Réponses : 12
Affichages : 718
clementp
31/01/2019 09:00:44

calcul gorge soudure d'angle??

10/08/2010 19:26:33 - flashx75
Réponses : 2
Affichages : 9604
15/08/2010 19:03:28

Question Posée Norme(s) pour rédaction de cahier de soudage

05/04/2017 14:32:42 - dbataille
Réponses : 5
Affichages : 1870
dbataille
29/05/2017 11:48:47

Question Posée Calcul de poids au Kg de métal d'apport nécessaire ?

20/05/2009 08:13:27 - Mike03
Réponses : 6
Affichages : 11489
guillaumesoad
21/01/2019 10:42:11