Comment déterminer le nombre de passes à l'arc manuel à l'électrode enrobée ?

le 24/02/2012 à 08:01 Par: Dominique ADMIN
Cet article technique est rédigé pour aider les lecteurs à déterminer la préparation de l'assemblage à souder en bout à bout et le nombre de passes en soudage à l'arc électrique manuel avec électrodes enrobées classiques (111 / SMAW / MMA).

1 - Introduction

Il est bien entendu que toutes les informations indiquées sont des données approximatives qu'il est nécessaire de vérifier et d'adapter selon votre configuration et votre dextérité manuelle.
Nous rappelons que le soudage est une opération d'assemblage qui exige la sécurité et le port des équipements de protection individuelle (masque de soudeur, gants de manutention, chaussures de sécurité, guêtres en cuir)
Vous êtes invités à apporter vos commentaires et expériences dans le cadre placé en bas de cet article intitulé vos commentaires.

2 - Tableau du soudage bout à bout sans chanfrein d'un seul côté

SOUDAGE A PLAT BORD A BORD SANS CHANFREIN
AVEC ÉLECTRODES ENROBÉES CLASSIQUES D'UN SEUL CÔTÉ

Épaisseur en mm Type d'assemblage Jeu / Écartement Ø électrode Intensité moyenne Nombre d'électrodes au mètre
2,0 mm
1,0 mm 2,0 mm 50 A 6
3,0 mm
2,0 mm 2,5 mm 60 A 8
3,0 mm
2,0 mm 3,15 mm 85 A 5


3 - Tableau du soudage bout à bout sans chanfrein des deux côtés

SOUDAGE A PLAT BORD A BORD SANS CHANFREIN
AVEC ÉLECTRODES ENROBÉES CLASSIQUES DES DEUX CÔTÉS

Épaisseur en mm Type d'assemblage Jeu / Écartement Ø électrode Intensité moyenne Nombre d'électrodes au mètre
3,0 mm
2,0 mm 2,5 mm 70 A 6
4,0 mm
2,5 mm 3,15 mm 95 A 5
5,0 mm
3,0 mm 3,15 mm
4,00 mm
95 A
130 A
5
4

Un meulage avec un disque fin à meuler sera réalisé entre la passe endroit et la passe envers avant la reprise envers pour assurer l'interpénétration des deux cordons de soudure.
Il sera nécessaire d'obtenir une saignée en forme de goulotte plus large que profonde afin que l'électrode se pose correctement au fond de la saignée.

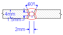
4 - Tableau du soudage bout à bout avec chanfrein d'un seul côté

SOUDAGE A PLAT BORD A BORD AVEC CHANFREIN EN VÉ
AVEC ÉLECTRODES ENROBÉES CLASSIQUES D'UN SEUL CÔTÉ

Épaisseur en mm Type d'assemblage Jeu / Écartement Ø électrode Intensité moyenne Volume et poids
5,0 mm
2,0 mm 2,5 mm
3,15 mm
80 A
100 A
21 cm[SUP]3
[/SUP]0,17 kg / m
6,0 mm
2,0 mm 2,5 mm
3,15 mm
3,15 mm
80 A
100 A
110 A
40 cm[SUP]3
[/SUP]0,33 kg / m
6,0 mm
2,5 mm 3,15 mm
4,0 mm
100 A
140 A
44 cm[SUP]3
[/SUP]0,35 kg / m
8,0 mm
3,0 mm 3,15 mm
4,0 mm
4,0 mm
100 A
140 A
160 A
61cm[SUP]3
[/SUP]0,47 kg / m


5 - Tableau du soudage bout à bout avec chanfrein des deux côtés

SOUDAGE A PLAT BORD A BORD AVEC CHANFREIN EN X
AVEC ÉLECTRODES ENROBÉES CLASSIQUES DES DEUX CÔTÉS

Épaisseur en mm Type d'assemblage Jeu / Écartement Ø électrode Intensité moyenne Volume et poids
4,0 mm
2,5 mm 2,5 mm 85 A 22 cm[SUP]3
[/SUP]0,16 kg / m
5,0 mm
2,5 mm 3,15 mm 100 A 28 cm[SUP]3
[/SUP]0,21 kg / m
6,0 mm
2,5 mm 2,5 mm 80 A 35 cm[SUP]3
[/SUP]0,27 kg / m
6,0 mm
2,5 mm 2,5 mm
3,15 mm
80 A
110 A
35 cm[SUP]3
[/SUP]0,27 kg / m

Un meulage avec un disque fin à meuler sera réalisé entre la passe endroit et la passe envers avant la reprise envers pour assurer l'interpénétration des deux cordons de soudure.

6 - Quelques liens Internet utiles

Le procédé de soudage à l'ARC E.E. / MMA / SMAW / 111
Quelles sont les méthodes applicables au soudage à l'arc avec électrodes enrobées (111 / MMA /SMAW) ?
Comment amorcer un arc électrique en MMA avec une électrode enrobée ?
Quelle est la consommation d'électrodes enrobées sur tube en montante (PH / 3G Up)
Comment lire l'étiquette sur un paquet ou étui d'électrodes enrobées ?
Tableau récapitulatif des différents procédés de soudage et lexique
Comment choisir les verres filtrants teintés selon le procédé de soudage et l'intensité de soudage ?
Comment choisir un masque à main, une cagoule rigide ou une cagoule électronique de soudeur ?
Comment assurer la sécurité du soudage ?
Quelles sont les huit erreurs que vous ne devez plus commettre lors du soudage ?


7 - Vos commentaires utiles sur cet article

Vous avez la possibilité de commenter cette page, de réagir ou de compléter les informations en rédigeant un message dans le cadre ci-dessous intitulé Ecrire un commentaire
Votre message sera vu et lu uniquement par les lecteurs de cet article
Nous vous remercions par avance de votre sollicitude et de votre aide pour l'amélioration des données techniques du site.
Veuillez respecter la ligne éditoriale de l'article technique en question.
Nous rappelons à nos aimables visiteurs que nos ressources techniques et nos croquis ne peuvent être ni copiés ni utilisés sans autorisation écrite de notre part.
Par: Dominique ADMIN

Commentaires (4)

15/07/2012 17:31:39 - karroum
Bonjour,
serait -il possible de faire une passe pénétration sur une tôle de 4 mm et en dessous avec ou sans chanfrein en procédé 111?
15/07/2012 19:00:58 - Dominique ADMIN
Bonjour,

Oui, c'est tout à fait possible.

Cordialement,
21/07/2012 16:19:17 - karroum
Bonjour,
J'ai essayer sur une éprouvette avec E.E rutile et basic seulement sur le long de cordon elle est pas de 100/100
Cordialement
26/06/2014 07:31:49 - deltay
Bonjour,
de petites questions sur le tableau 5 : soudage bout à bout avec chanfrein des deux côtés. Pourquoi les électrodes utilisées sur la tôle 5mm sont d'un diamètre plus important que sur 6 mm? pourquoi l'intensité moyenne avec électrode 2.5 mm est inférieure sur tôle 6 mm à la préconisation sur 4 mm?